UG8.0回转体制作方法步骤

2019-07-24 09:17:09来源:互联网作者:tjxz

UG8.0

UG8.0

软件类型:3D制作类 软件大小:3.50GB 软件平台:  PC  软件语言:简体

标签: 3D制作类 UG8.0

查看详情

      UG8.0回转体的制作过程你们知道吗?下文就是小编带来的关于UG8.0回转体制作方法步骤,希望大家喜欢。

      UG8.0回转体制作方法步骤

UG8.0回转体制作方法步骤

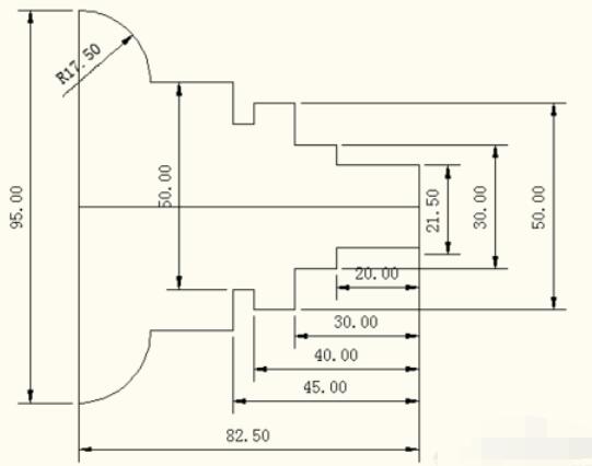
      用回转体绘制如下图的师体

UG8.0回转体制作方法步骤

      打开 UG NX8.0

      点击【新建】

UG8.0回转体制作方法步骤

      输入名称和指定路径后单击【确定】

UG8.0回转体制作方法步骤

      点击【插入】→【任务环境中草图】→【确认】

UG8.0回转体制作方法步骤
UG8.0回转体制作方法步骤

      绘制图中的上半部分

UG8.0回转体制作方法步骤

      点击【完成草图】

UG8.0回转体制作方法步骤

      点击图中的小三角形,选择【回转】

UG8.0回转体制作方法步骤

      选择曲线

UG8.0回转体制作方法步骤
UG8.0回转体制作方法步骤

      指定矢量

UG8.0回转体制作方法步骤

      点击【确认】

UG8.0回转体制作方法步骤

      完成

UG8.0回转体制作方法步骤

      下文就是关于UG8.0回转体制作方法步骤,希望大家喜欢。